31991L0226[1]
A Tanács irányelve (1991. március 27.) a gépjárművek és pótkocsijaik egyes kategóriáinak a felcsapódó víz elleni védelmére vonatkozó tagállami jogszabályok közelítéséről
A TANÁCS IRÁNYELVE
(1991. március 27.)
a gépjárművek és pótkocsijaik egyes kategóriáinak a felcsapódó víz elleni védelmére vonatkozó tagállami jogszabályok közelítéséről
(91/226/EGK)
AZ EURÓPAI KÖZÖSSÉGEK TANÁCSA,
tekintettel az Európai Gazdasági Közösséget létrehozó szerződésre és különösen annak l00a. cikkére,
tekintettel a Bizottság javaslatára ( 1 );
az Európa Parlamenttel együttműködve ( 2 );
tekintettel a Gazdasági és Szociális Bizottság véleményére ( 3 );
mivel intézkedéseket kell tenni, hogy a belső piac fokozatosan legkésőbb 1992. december 31-ig megvalósuljon; mivel a belső piac egy olyan, belső határok nélküli térség, amelyben az áruk, a személyek, a szolgáltatások és a tőke szabad mozgása biztosított;
mivel azok a műszaki előírások, amelyeknek a gépjárműveknek az egyes nemzeti jogszabályok alapján meg kell felelniük, többek között a gépjárművek és pótkocsijaik egyes kategóriáinak a felcsapódó víz elleni védelmére is vonatkoznak;
mivel ezen követelmények egyes tagállamonként különbözőek; mivel ezért szükséges, hogy minden tagállam - akár kiegészítésként, akár a jelenlegi szabályozás helyett - azonos követelményeket léptessen életbe, hogy ezáltal alkalmazni lehessen a legutóbb a 87/403/EGK irányelv ( 4 ) által módosított, a gépjárművek és pótkocsijaik típusjóváhagyására vonatkozó tagállami jogszabályok közelítéséről szóló, 1970. február 6-i 70/156/EGK tanácsi irányelv ( 5 ) szerinti EGK-típusjóváhagyási eljárást;
mivel - a közúti közlekedésbiztonság javítása érdekében - fontos, hogy a magasabb súlykategóriákba tartozó és bizonyos minimális tervezési sebességű összes haszongépjármű hatékony, a felcsapódó víz elleni védelemmel legyen felszerelve a víz visszatartása érdekében;
mivel a helyzet jelentős javításának eszközeként egyetlen hatásossági vizsgálatot kívánatos kialakítani az ilyen típusú rendszereknek a különböző járműtípusokra történő rögzítésével kapcsolatosan; mivel az ilyen típusú berendezések EGK-alkatrész-típusjóváhagyása az ilyen berendezések jelenleg forgalmazott két típusát vette figyelembe, az energiafelvevő, valamint a levegő/víz szétválasztó típust; mivel emiatt a jóváhagyandó berendezés típusától függően két különböző vizsgálat kialakítására volt szükség;
mivel - a jelenleg végzett tanulmányok, kutatások és vizsgálatok alapján - a lehető leghamarabb ki kell alakítani az ilyen berendezéssel felszerelt járműtípusok hatásossági vizsgálatát;
mivel a tagállamoknak figyelembe kell venniük azt a tényt, hogy a felcsapódás kialakulása függ az útfelülettől, az abroncs/futófelület összeállítástól, valamint a jármű sebességétől és aerodinamikai jellemzőitől is;
mivel a gépjárművekre vonatkozó tagállami jogszabályok közelítése magában foglalja, hogy a tagállamok közös követelmények alapján elfogadják az általuk - egymástól függetlenül - végzett vizsgálatokat,
ELFOGADTA EZT AZ IRÁNYELVET:
1. cikk
(1) A tagállamok kötelesek az EGK-alkatrész-típusjóváhagyást megadni minden olyan berendezés - a továbbiakban "felcsapódó víz elleni védőberendezés" - esetében, amelynek rendeltetése a mozgó járművek abroncsai által okozott felcsapódás mértékének a csökkentése, amennyiben ezek a berendezések megfelelnek a II. mellékletben a kialakítással és vizsgálattal kapcsolatosan megállapított követelményeknek, figyelembe véve az I. melléklet meghatározásait is.
(2) Az a tagállam, amely EGK-alkatrész-típusjóváhagyást adott ki, méghozza - amennyiben szükséges, a többi tagállam hatáskörrel rendelkező hatóságaival együttműködve - az arra vonatkozó intézkedéseket, hogy a gyártásnak az engedélyezett típussal való megegyezését szükség esetén ellenőrizze. Ebből a célból a tagállamnak a IV. mellékletben szereplő követelményeket alkalmaznia kell.
2. cikk
A tagállamok kötelesek - az általuk az 1. cikk alapján jóváhagyott minden egyes felcsapódó víz elleni védőberendezésre vonatkozóan - a gyártó vagy annak meghatalmazott képviselője számára kiadni egy, a II. melléklet 3. függelékében szereplő mintával megegyező EGK-alkatrész-típusjóváhagyási jelet.
A tagállamok minden szükséges intézkedést megtesznek azért, hogy megakadályozzák olyan típus-jóváhagyási jel használatát, amely zavart okozhat az olyan felcsapódó víz elleni védőberendezések között, amelyek már megkapták az 1. cikk alapján az alkatrész-típusjóváhagyást.
3. cikk
A tagállamok nem tilthatják meg a felcsapódó víz elleni védőberendezések kereskedelmi forgalomba hozatalát szerkezetük és hatásosságuk alapján, ha azok EGK-alkatrész-típusjóváhagyási jellel el vannak látva.
Azonban ez a rendelkezés nem akadályozza meg a tagállamot abban, hogy ilyen intézkedéseket hozzon azokra az EGK-alkatrész-típusjóváhagyási jellel ellátott felcsapódó víz elleni védőberendezésekre vonatkozóan, amelyek következetesen nem felelnek meg az engedélyezett típusnak.
E tagállam haladéktalanul tájékoztatja a többi tagállamot és a Bizottságot a megtett intézkedésekről, és megindokolja határozatát. Az 5. cikk rendelkezései szintén alkalmazhatók.
A berendezéseket a jóváhagyott típustól eltérőnek kell tekinteni - legalábbis a második bekezdés szerint -, amennyiben a II. melléklet követelményeit nem tartják be.
4. cikk
Az egyes tagállamok hatáskörrel rendelkező hatóságai egy hónapon belül eljuttatják a többi tagállam hatáskörrel rendelkező hatóságainak az általuk jóváhagyott vagy visszautasított összes felcsapódó víz elleni védőberendezés-típus EGK-alkatrész-típusbizonyítványának egy példányát.
5. cikk
(1) Ha az EGK-típusjóváhagyást odaítélő tagállam megállapítja, hogy számos, ugyanazzal az EGK-típusjóváhagyási jellel ellátott felcsapódó víz elleni védőberendezés nem felel meg annak a típusnak, amelyre az EGK-típusjóváhagyást kiadta, akkor meghozza azokat az intézkedéseket, amelyek biztosítják, hogy a gyártás megegyezzen az engedélyezett típussal. E tagállam hatáskörrel rendelkező hatóságai tájékoztatják a többi tagállam hatáskörrel rendelkező hatóságait a megtett intézkedésekről, amelyek - rendszeres nem megfelelés esetén - az EGK-típusjóváhagyás visszavonásához vezethetnek.
Az említett hatóságok ugyanezeket az intézkedéseket hozzák meg, ha más tagállamok hatáskörrel rendelkező hatóságaitól ilyenfajta meg nem felelésről kapnak tájékoztatást.
(2) A tagállamok hatáskörrel rendelkező hatóságai egy hónapon belül kölcsönösen tájékoztatják egymást az EGK-alkatrész-típusjóváhagyás visszavonásáról, másolatban megküldve az aláírt, keltezett és az "EGK-TÍPUSJÓVÁHAGYÁS VISSZAVONVA" nagybetűs szöveggel ellátott alkatrész-típusbizonyítványt, hivatkozással az ilyen intézkedések okaira.
(3) Ha az EGK-alkatrész-típusjóváhagyást kiadó tagállam vitatja a meg nem egyezés tényét, amelyről más tagállamoktól értesítést kapott, akkor az érintett tagállamok a vita rendezésére törekednek. Tájékoztatják a Bizottságot is, mely szükség esetén megfelelő konzultációkat tart a probléma rendezése céljából.
6. cikk
Minden olyan döntést, amely az irányelv végrehajtására elfogadott rendelkezéseknek megfelelően valamely felcsapódó víz elleni védőberendezés EGK-alkatrész-típusjóváhagyásának visszavonásával, illetve egy ilyen berendezés forgalmazásának vagy használatának megtiltásával kapcsolatos, részletesen meg kell indokolni. Az ilyen döntésekről értesítik az érintett feleket, és egyidejűleg arról is tájékoztatják őket, hogy a tagállamokban hatályos jogszabályok szerint milyen jogorvoslattal élhetnek, és milyen határidőn belül jogosultak erre.
7. cikk
Ezen irányelv alkalmazásában: "jármű": valamennyi N. kategóriájú gépjármű, továbbá valamennyi O kategóriájú pótkocsi a 70/156/EGK irányelv I. mellékletében megállapítottaknak megfelelően.
8. cikk
Egy tagállamnak sincs joga ahhoz, hogy visszautasítson egy EGK-típusjóváhagyást vagy nemzeti típusjóváhagyást valamely járműtípusra, illetve visszautasítsa, vagy megtiltsa az adott típus forgalmazását, üzembe vagy használatba helyezését a felcsapódó víz elleni védőberendezésre való hivatkozással, ha az az EGK-alkatrész-típusjóváhagyási jelet viseli, és az üvegezés beszerelése megfelel a III. melléklet szerinti követelményeknek.
9. cikk
A 70/156/EGK irányelv 13. cikkében megállapított eljárás szerint történik ezen irányelv mellékletei követelményeinek a műszaki fejlődéshez történő hozzáigazítása.
10. cikk
(1) A tagállamok meghozzák azokat az intézkedéseket, amelyek szükségesek ahhoz, hogy ennek az irányelvnek 1992. április 10-ig megfeleljenek. Erről haladéktalanul tájékoztatják a Bizottságot.
(2) A tagállamok közlik a Bizottsággal nemzeti joguknak azokat a főbb rendelkezéseit, amelyeket az ezen irányelv által szabályozott területen fogadnak el.
(3) Amikor a tagállamok elfogadják az (1) bekezdésben említett intézkedéseket, azokban hivatkozni kell erre az irányelvre, vagy azokhoz hivatalos kihirdetésük alkalmával ilyen hivatkozást kell fűzni. A hivatkozás módját a tagállamok határozzák meg.
11. cikk
Ennek az irányelvnek a tagállamok a címzettjei.
A MELLÉKLETEK LISTÁJA
SZÖVEG HIÁNYZIK |
I. MELLÉKLET
FOGALOMMEGHATÁROZÁSOK
Ezen irányelv alkalmazásában a következő fogalommeghatározások érvényesek:
1. Felcsapódó víz elleni védőrendszer
Felcsapódó víz elleni védőrendszer: olyan rendszer, amelynek célja a mozgásban lévő jármű abroncsai által felhordott víz porladásának a csökkentése. A felcsapódó víz elleni védőrendszert a felcsapódó víz elleni védőberendezéssel együtt felszerelt sárvédő, vízterelő és sárfogó lapok alkotják.
2. Sárvédő
"Sárvédő": olyan merev vagy félmerev alkatrész, amelynek célja a mozgó abroncsok által felhordott víz megállítása, illetve a talajfelszín felé történő irányítása. A sárvédők teljesen vagy részlegesen a jármű felépítményének vagy egyéb részeinek (például a rakodóplató alsó részének stb.) szerves részét képezhetik.
3. Vízterelő
"Vízterelő" olyan rugalmas alkatrész, amelyet függőlegesen szerelnek a kerék mögé, az alváz vagy a rakodófelület alsó részén vagy a sárvédőn.
A vízterelőnek feladata az is, hogy csökkentse az abroncsok által a talajról felszedett kisebb tárgyak - elsősorban kavicsok - fölfelé vagy oldalra, az út egyéb igénybevevői irányában történő kirepülésének a kockázatát.
4. Felcsapódó víz elleni védőberendezés
"Felcsapódó víz elleni védőberendezés": a felcsapódó víz elleni védőrendszer részét képezi, amely a következőkből állhat:
4.1. Levegő/víz szétválasztó
A sárfogó lap és/vagy a vízterelő részét képező alkatrész, amelyen a levegő keresztül haladhat, de közben csökken a porlasztott víz szóródásának a mértéke.
4.2. Energiaelnyelő
A sárvédő és/vagy a sárfogó lap és/vagy a vízterelő részét képező alkatrész, amely elnyeli a vízpermet energiáját, és ily módon csökkenti a porlasztott víz szóródásának a mértékét.
5. Külső sárfogó lap
"Külső sárfogó lap": a jármű hosszanti síkjával párhuzamos, körülbelül függőleges síkban elhelyezkedő alkatrész, amely a sárvédő vagy a jármű felépítményének a részét képezheti.
6. Kormányzott kerekek
"Kormányzott kerekek": olyan kerekek, amelyeket a jármű kormányrendszere hoz működésbe.
7. Önbeálló tengely
"Önbeálló tengely": valamely központi ponthoz forgócsappal rögzített olyan tengely, amely vízszintes ív leírására képes. Ezen irányelv alkalmazásában a "forgócsapos kormányzás" típusú önbeálló tengelyt kormányzott kerekekkel felszerelt tengelyként kell kezelni.
8. Saját kormányzású kerekek
"Saját kormányzású kerekek": olyan kerekek, amelyeket nem a jármű kormányberendezése működtet, és amelyek - a talajjal való súrlódás következtében - legfeljebb 20°-os szögben tudnak elfordulni.
9. Felemelhető tengely
"Felemelhető tengely": olyan tengely, amely a rendes járműhasználat során az útról felemelhető.
10. Üres jármű
"Üres jármű": a felépítménnyel felszerelt (illetve az egy vagy több jellemző alkatrésszel ellátott) jármű - adott esetben - hűtőfolyadékkal, kenőanyagokkal, üzemanyaggal, szerszámokkal, pótkerékkel, valamint 75 kg súlyúra becsült sofőrrel együtt.
11. Gumiabroncs felfekvő felülete
"Gumiabroncs felfekvő felülete": a gumiabroncs olyan - az útfelülettel érintkezésben levő - része, amelyik a tapadást biztosítja.
12. Felcsapódó víz elleni védőberendezés-típus
"Felcsapódó víz elleni védőberendezés-típus": olyan berendezések, amelyek a következő főbb jellemzők vonatkozásában nem térnek el egymástól:
- a vízfelszóródás csökkentésének alapelve (vízenergia-elnyelés, levegő/víz szétválasztás),
- anyagok,
- alak,
- méretek (amennyiben ezek az anyag magatartását befolyásolhatják).
II. MELLÉKLET
A FELCSAPÓDÓ VÍZ ELLENI VÉDŐBERENDEZÉSEK EGK-ALKATRÉSZ-TÍPUSJÓVÁHAGYÁSÁVAL KAPCSOLATOS KÖVETELMÉNYEK
0. Általános előírások
0.1. A felcsapódó víz elleni védőberendezéseket oly módon kell kialakítani, hogy azok nedves úton szokásos üzemi körülmények között megfelelően működjenek. Ezen túlmenően a felcsapódó víz elleni védőberendezések megfelelő működését, illetve viselkedését semmilyen szerkezeti vagy gyártási hiba nem gyengítheti.
1. Szükséges vizsgálatok
1.1. Fizikai működési alapelvüktől függően a felcsapódó víz elleni védőberendezéseket az 1. és 2. függelékben leírt vonatkozó vizsgálatoknak kell alávetni az ezen függelékek 4. pontjában előírt eredmények elérése céljából.
2. Az EGK-alkatrész-típusjóváhagyás kérelmezése
2.1. Valamely felcsapódó víz elleni védőberendezés-típus EGK-alkatrész-típusjóváhagyásának a kérelmezését a gyártó vagy meghatalmazott képviselője nyújtja be.
2.2. Valamennyi típus esetében a kérelemhez az alábbi okiratok három példányát, illetve a következő információkat és anyagokat kell mellékelni:
2.2.1. A felcsapódó víz elleni védőberendezés műszaki leírása, feltüntetve a működési alapelvet és az elvégzendő vizsgálatot, a felhasznált anyagokat, továbbá egy vagy több, az anyag/anyagok azonosíthatóságához szükséges részletességű és megfelelő léptékű rajz.
2.2.2. Négy minta: ezek közül három vizsgálati célokat szolgál, a negyediket pedig a laboratórium köteles megőrizni későbbi ellenőrzés céljából. A vizsgálólaboratórium további mintákat is igényelhet.
2.3. Jelölések Minden egyes mintán világosan és letörölhetetlenül fel kell tüntetni a kereskedelmi nevet vagy védjegyet és a típus jelét. Továbbá minden egyes mintán megfelelő nagyságú helyet kell kihagyni az EGK-alkatrész-típusjóváhagyási jel számára.
3. EGK-alkatrész-típusjóváhagyás
3.0. Az EGK-alkatrész-típusjóváhagyás megadásához szükséges eljárások végrehajtása előtt a hatáskörrel rendelkező hatóságnak meg kell bizonyosodnia arról, hogy a gyártó hatékony rendszerekkel rendelkezik a gyártás megfelelőségének ellenőrzéséhez.
3.1. Amennyiben a típusjóváhagyásra benyújtott berendezéstípusra vonatkozó minták sikeresen megfelelnek az 1., illetve 2. függelékben leírt vonatkozó vizsgálatokon, akkor az illető felcsapódó víz elleni védőberendezés típusára vonatkozóan kiadják az EGK-alkatrész-típusjóváhagyást.
3.2. A felcsapódó víz elleni védőberendezések minden egyes, EGK által jóváhagyott típusához egy alkatrész-típusjóváhagyási számot rendelnek hozzá.
3.3. Valamennyi, ezen irányelv szerint jóváhagyott valamely típusnak megfelelő kivitelű felcsapódó víz elleni védőberendezést el kell látni az EGK-alkatrész-típusjóváhagyási jellel úgy, hogy az letörölhetetlen és könnyen olvasható legyen akkor is, amikor a berendezést rögzítették a járműre.
3.4. Az EGK-alkatrész-típusjóváhagyási jelet - amelynek mintáját a 3. függelék mutatja - az alábbiak alkotják:
3.4.1. egy téglalapba írt e betű, amelyet az alkatrésztípus-jóváhagyást kiadó tagállam betűjele vagy alábbi számjele követ:
1 = Németország, 2 = Franciaország, 3 = Olaszország, 4 = Hollandia, 6 = Belgium, 9 = Spanyolország, 11 = Egyesült Királyság, 13 = Luxemburg, 18 = Dánia, 21 = Portugália, EL = Görögország és IRL = Írország , 12 = Ausztria esetében, 17 = Finnország esetében, 5 = Svédország esetében, 8 = a Cseh Köztársaság esetében, 29 = Észtország esetében, CY = Ciprus esetében, 32 = Lettország esetében, 36 = Litvánia esetében, 7 = Magyarország esetében, MT = Málta esetében, 20 = Lengyelország esetében, 26 = Szlovénia esetében, 27 = Szlovákia esetében, 34 = Bulgária esetében, 19 = Románia esetében;
3.4.2. az EGK-alkatrész-típusjóváhagyási szám (ugyanaz, mint ami a - 4. függelékben látható mintájú - alkatrész-típusbizonyítványon szerepel), amely a téglalaphoz közel, vagy az "e" alatt, vagy attól jobbra vagy balra helyezkedik el. Az alkatrész-típusjóváhagyási számot alkotó számjegyek az "e" betűnek ugyanazon az oldalán helyezkednek el, és egyforma irányba néznek. Az egyéb jelzésekkel való összecserélhetőség megakadályozása érdekében el kell kerülni a római számok alkatrésztípus-jóváhagyási számokként történő alkalmazását;
3.4.3. az "A" vagy "S" betűt - attól függően, hogy a berendezés energiaelnyelő (A) vagy levegő/víz szétválasztó (S) típusú - a téglalap fölött, és ahhoz közel kell elhelyezni bármilyen pozícióban.
l. függelék
Az energiaelnyelő típusú, felcsapódó víz elleni védőberendezésekkel kapcsolatos vizsgálatok
1. Alapelv
E vizsgálat célja annak számszerűsítése, hogy egy berendezés milyen mértékben képes visszatartani a sugársorozatban ráirányított vizet. A vizsgálat célja azoknak a körülményeknek a reprodukálása, amelyek között a berendezésnek valamely járműre történő felszerelését követően működnie kell, legalábbis ami az abroncs futófelülete által a talajról felhordott víz mennyiségét és sebességét illeti.
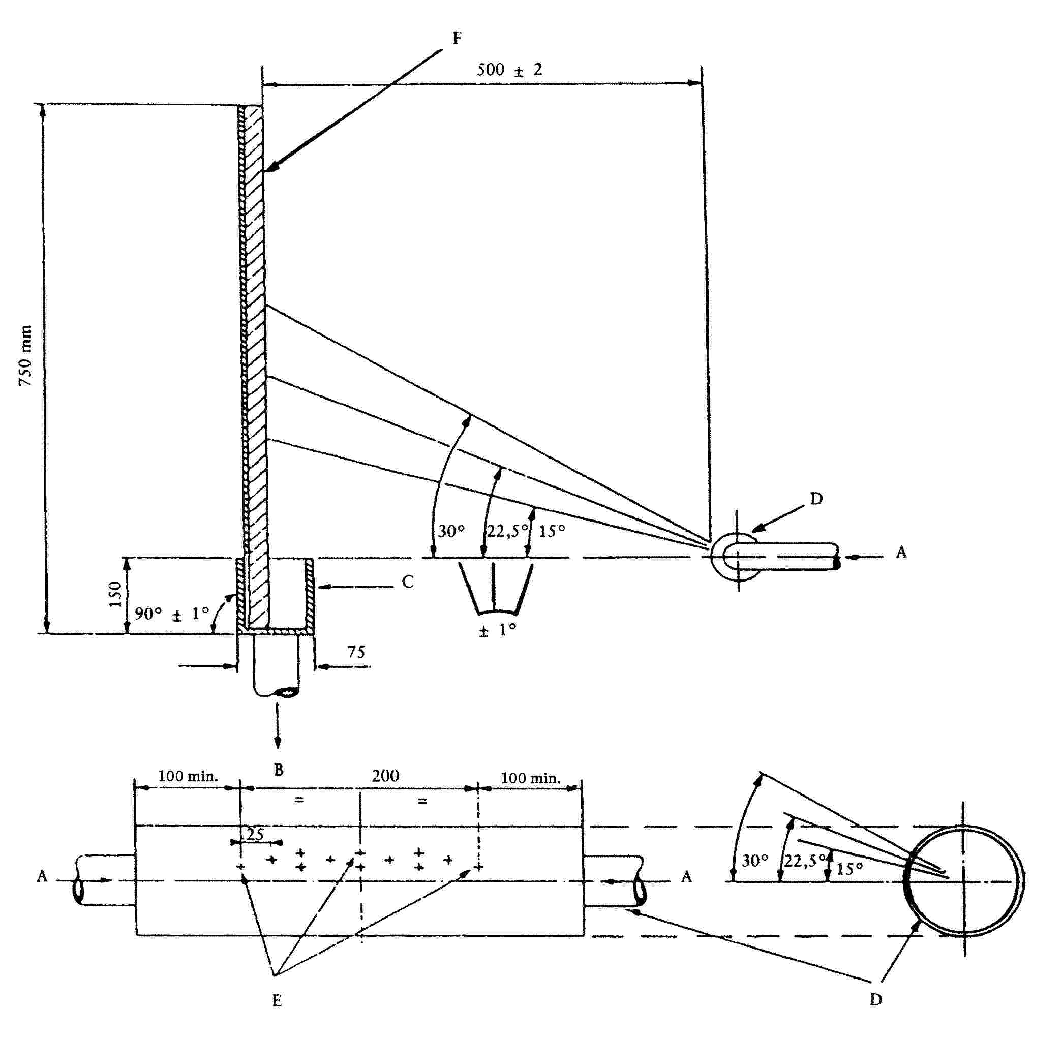
2. Berendezések
A vizsgálati berendezések leírását lásd a 8. ábrán. A vizsgálatok végzésére szélcsendes környezetben kerül sor.
3. Eljárás
3.1. A vizsgálandó eszköznek egy 500 (+0/-5) mm széles és 750 mm hosszú mintáját a vizsgálóberendezés függőleges vázához kell erősíteni, meggyőződve arról, hogy a minta jól fekszik a vízgyűjtő határfelületei között, továbbá hogy a vizet semmilyen akadály nem tudja eltéríteni sem a berendezésen történő becsapódás előtt, sem azután.
3.2. A víz áramlási sebességét 0,675 (±0,01) 1/s értékre kell beállítani, és 500 (±2) mm-es vízszintes távolságból rá kell irányítani a mintára legalább 90 liter vizet (8. ábra).
3.3. Meg kell engedni, hogy a víz a mintáról a gyűjtőbe csepegjen, majd ki kell számítani az összegyűjtött és a szétfröccsent víz mennyisége közötti különbséget (százalékban).
3.4. A vizsgálatot ötször meg kell ismételni, és meg kell határozni az összegyűlt víz átlagos százalékos arányát.
4 Eredmények
4.1. Az első öt vizsgálat alkalmával összegyűjtött víz kiszámított átlagos százalékos aránya nem lehet kisebb, mint a berendezésre irányított víz mennyiségének a 70 %-a.
4.2. Amennyiben az összegyűjtött víz legnagyobb és legkisebb százalékos aránya több mint 5 %-kal eltér az átlagos százaléktól, úgy a vizsgálat érvénytelen, és azt meg kell ismételni.
Amennyiben az összegyűjtött víz legnagyobb és legkisebb százalékos aránya a második vizsgálat alkalmával is több mint 5 %-kal eltér az átlagos értéktől, és/vagy amennyiben az alsó érték nem felel meg a 4.1. pont követelményeinek, úgy a jóváhagyás nem adható meg.
4.3. Amennyiben a berendezés függőleges helyzete befolyásolja a kapott eredményeket, úgy a 3.1. és 3.2. pontban leírt eljárást olyan pozíciókban kell megismételni, amelyek az összegyűjtött víz legnagyobb és legkisebb százalékos arányát eredményezik; a 4.2. pontban foglalt követelmények továbbra is érvényben maradnak.
Az egyes vizsgálatok eredménye szempontjából a 4.1. pont követelményeit kell érvényesnek tekinteni.
2. függelék
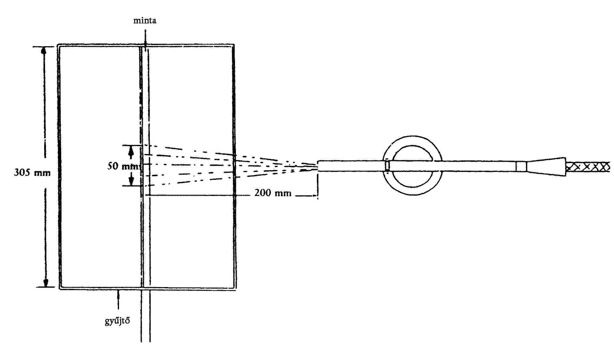
A levegő/víz szétválasztó típusú, felcsapódó víz elleni védőberendezésekkel kapcsolatos vizsgálatok
1. Alapelv
A vizsgálat célja valamely olyan vízvisszatartásra készült porózus anyag hatékonyságának a meghatározása, amelynek vízzel való bepermetezése egy túlnyomásos levegő/víz porlasztó segítségével történik.
A vizsgálóberendezésnek azokat a körülményeket kell reprodukálnia, amelyek között a berendezésnek valamely járműre történő rögzítését követően működnie kell, legalábbis ami az abroncs futófelülete által a talajról felhordott víz mennyiségét és sebességét illeti.
2. Berendezés
2.1. A vizsgálati berendezés megfelel a 9. ábra leírásának.
3. Eljárás
3.1. Egy 305 mm × 100 mm méretű mintát függőlegesen a vizsgálóberendezéshez kell erősíteni, majd meg kell győződni arról, hogy a minta és a felső ívelt lemez között nincs rés, valamint a tálca megfelelő helyzetben van. A porlasztó tartályát meg kell tölteni pontosan 1 liter vízzel, és az ábrán látható módon kell azt elhelyezni.
3.2. A porlasztót a következők szerint kell beállítani:
Nyomás (a porlasztónál): 5 bar +10 %/-0 %
Áramlási sebesség: 1 liter/perc +5 mp
Porlasztás: körkörös, kb. 50 mm átmérőjű a mintától 200 mm-re, 5 mm átmérőjű fúvókával.
3.3. Porlasztani kell mindaddig, amíg eloszlik a vízköd, és fel kell jegyezni az eltelt időt. Hagyni kell, hogy a víz 60 másodpercen keresztül folyjon a mintából a tálcára, majd meg kell mérni az összegyűjtött víz mennyiségét. Ezután meg kell mérni a porlasztótartályában maradt víz mennyiségét. Ki kell számítani az összegyűjtött és a porlasztott víz mennyiségi különbségét (százalékban).
3.4. A vizsgálatot ötször meg kell ismételni, és meg kell határozni az összegyűjtött mennyiség átlagos százalékos arányát. Minden egyes vizsgálat előtt ellenőrizni kell a tálca, a porlasztó tartálya, valamint a mérőedény száraz voltát.
3.5. A vizsgálat alatt 21 (±3) °C-os környezeti hőmérsékletet kell biztosítani.
4. Eredmények
4.1. Az első öt vizsgálat alkalmával összegyűjtött víz kiszámított átlagos százalékos aránya nem lehet kisebb, mint az eszközre irányított víz mennyiségének a 85 %-a.
4.2. Amennyiben az összegyűjtött víz legnagyobb és legkisebb százalékos aránya több mint 5 %-kal eltér az átlagértéktől, úgy a vizsgálat érvénytelen, és azt meg kell ismételni.
Amennyiben az összegyűjtött víz legnagyobb és legkisebb százalékos aránya a második vizsgálat alkalmával is több mint 5 %-kal eltér az átlagos értéktől, és/vagy amennyiben az alsó érték nem felel meg a 4.1. pont követelményeinek, úgy a jóváhagyást nem lehet megadni.
4.3. Amennyiben az eszköz függőleges helyzete befolyásolja a kapott eredményeket, úgy a 3.1. és 3.2. pontban leírt eljárást olyan pozíciókban kell megismételni, amelyek az összegyűjtött víz legnagyobb és legkisebb százalékos arányát eredményezik; a 4.2. pont követelményei továbbra is érvényben maradnak.
Az egyes vizsgálatok eredménye szempontjából a 4.1. pont követelményeit kell érvényesnek tekinteni.
3. függelék
Az EGK-alkatrész-típusjóváhagyási jel mintája

A fenti EGK-típusjóváhagyási jelet viselő felcsapódó víz elleni védőberendezés olyan energiaelnyelő típusú (A) berendezés, amely Spanyolországban (e9) a 148-as számon hagytak jóvá.
Az alkalmazott számok csupán példák.
4. függelék
AZ EGK-ALKATRÉSZTÍPUSBIZONYÍTVÁNY MINTÁJA
[Legnagyobb méret: A/4 (210 mm × 297 mm)]

III. MELLÉKLET
A JÁRMŰTÍPUSOK EGK-TÍPUSJÓVÁHAGYÁSÁNAK A FELCSAPÓDÓ VÍZ ELLENI VÉDŐRENDSZEREK RÖGZÍTÉSÉVEL KAPCSOLATOS KÖVETELMÉNYEI
HATÁLY
0.1. Valamennyi, 7,5 tonna legnagyobb tömeget meghaladó N2 kategóriájú járművet, illetve valamennyi N3, O3 és O4 kategóriájú járművet az alábbi követelményeknek megfelelően kell kialakítani, és/vagy felcsapódó víz elleni védőberendezésekkel felszerelni.
0.2. Az I. melléklet 4. pontjában megállapított felcsapódó víz elleni védőberendezésekre vonatkozó követelmények nem jelentenek kötelezettséget az alvázas/vezetőfülkés járművek, a felépítmény nélküli járművek, a 70/156/EGK irányelv szerint meghatározott terepjáró járművek, valamint az olyan járművek esetében, ahol a felcsapódó víz elleni védőberendezések jelenléte összeegyezhetetlen a járművek felhasználásával. Amennyiben azonban az ilyen járműveket mégis ellátják felcsapódó víz elleni védőberendezésekkel, akkor ezeknek teljesíteniük kell az ezen irányelvben foglalt követelményeket.
AZ EGK-TÍPUSJÓVÁHAGYÁS KÉRELMEZÉSE
1.1. A valamely járműtípusra vonatkozó, felcsapódó víz elleni védőrendszer felszerelését illető EGK-típusjóváhagyás kérelmezését az illető berendezés gyártójának vagy a gyártó felhatalmazott képviselőjének kell benyújtania.
1.2. A kérelemhez három példányban az alábbi dokumentumokat, illetve a következő adatokat kell csatolni:
1.2.1. a szóban forgó felcsapódó víz elleni védőrendszer műszaki leírását, továbbá egy vagy több, az azonosíthatósághoz megfelelő részletességű és léptékű rajzot.
1.3. A jóváhagyási vizsgálatokat végző műszaki szolgálat számára egy, az illető felcsapódó víz elleni védőrendszerrel felszerelt és a jóváhagyandó járműtípust reprezentáló járművet kell benyújtani.
EGK-TÍPUSJÓVÁHAGYÁS
2. Az EGK-típusbizonyítványhoz egy, a függelékben szereplő mintának megfelelő bizonyítványt kell csatolni.
ÁLTALÁNOS ELŐÍRÁSOK
3. Tengelyek
3.1. Felemelhető tengelyek
Ha valamely jármű egy vagy több felemelhető tengellyel van ellátva, akkor a felcsapódó víz elleni védőrendszernek a tengely leengedésekor valamennyi kereket, a tengely felemelésekor pedig a talajjal érintkező kerekeket kell eltakarnia.
3.2. Önbeálló tengelyek
Ha valamely jármű önbeálló tengellyel van ellátva, akkor a felcsapódó víz elleni védőrendszernek - amennyiben a forgó részre van felszerelve - a nem kormányzott kerekekre vonatkozó feltételeket kell teljesítenie. Amennyiben viszont nem a forgórészre van szerelve, akkor a felcsapódó víz elleni védőrendszernek a kormányzott kerekekre vonatkozó feltételeknek kell megfelelnie.
4. A külső sárfogó lap helyzete
4.1. A nem kormányzott kerekek esetében a külső abroncsfal hosszirányú érintője - eltekintve a gumiabroncs útfelület-közeli kiboltosodásától - és a sárfogó lap belső széle közötti "c" távolság 75 mm-nél nem lehet nagyobb, kivéve ha a sárfogó lap belső szélének a sugara (lásd a 7.2., 8.2. és 9.2. pontot) kisebb, mint 1,0 R, amely esetben az említett "c" távolság 100 mm-nél nem lehet nagyobb (1. ábra).
4.2. A kormányzott, illetve a saját kormányzású kerekek esetében a "c" távolság 100 mm-nél nem lehet nagyobb.
5. A jármű állapota
Az irányelvnek való megfelelőség ellenőrzésekor a járműnek az alábbi állapotban kell lennie:
a) a járműnek terheletlennek, a kerekeknek pedig egyenes meneti helyzetűnek kell lenniük;
b) nyerges vontatók esetében a rakfelületnek vízszintesnek kell lennie;
c) az abroncsokat rendes levegőnyomásra kell beállíttatni.
6. Felcsapódó víz elleni védőrendszerek
6.1. A felcsapódó víz elleni védőrendszernek a 7., illetve a 9. pontban foglalt előírásoknak kell megfelelnie.
6.2. A felépítménypadló, illetve a rakodóplató alsó része által takart nem kormányzott, illetve saját kormányzású kerekek felcsapódó víz elleni védőrendszerének a 7. vagy 9., illetve a 8. pont előírásainak kell megfelelnie.
KÜLÖNLEGES KÖVETELMÉNYEK
7. Az energiaelnyelő típusú, felcsapódó víz elleni védőrendszerekkel kapcsolatos követelmények kormányzott, saját kormányzású vagy nem kormányzott kerekekkel szerelt tengelyek esetén
7.1. Sárvédők
7.1.1. A sárhányóknak a közvetlenül az abroncs vagy abroncsok fölötti, előtti és mögötti zónát a következőképpen kell takarnia:
a) szólótengely vagy olyan többes tengely esetében, ahol a szomszédos tengelyeken levő abroncsok közötti "d" távolság (4. ábra) nagyobb, mint 300 mm, az első szélnek (C) úgy kell előrenyúlnia, hogy elérje azt az O-Z vonalat, ahol az F15u (téta) = a vízszintes sík fölött legfeljebb 30° a kormányzott, illetve a saját kormányzású kerekekkel, és legfeljebb 20° a nem kormányzott kerekekkel felszerelt tengelyek esetében.
A leghátsó szélnek (2. ábra) oly módon kell lefelé nyúlnia, hogy legfeljebb 100 mm-rel legyen a kerék középpontján keresztülhaladó vízszintes vonal fölött;
b) olyan többes tengelyek esetében, ahol a szomszédos tengelyeken lévő abroncsok közötti "d" távolság 300 mm-nél nem nagyobb, a sárvédőnek a 4. a) ábrán láthatóval egyező kivitelűnek kell lennie;
c) a sárvédő teljes szélességének "q" (1. ábra) legalább olyannak kell lennie, hogy elfedje az abroncs "b" vagy - ikerkerekek esetén - két abroncs "t" teljes szélességét, figyelembe véve az abroncs/kerék egységnek a gyártó által meghatározott határhelyzeteit. A "b" és "t" méreteket a kerékagy magasságában kell mérni, figyelmen kívül hagyva az abroncsfalakon található összes jelzést, bordát, védőszalagot stb.
7.1.2. A sárvédő hátsó részének első oldalára egy, a II. melléklet 1. függeléke szerinti előírásoknak megfelelő felcsapódó víz elleni védőberendezést kell felszerelni. Ennek a berendezésnek a sárvédő belső oldalát kell befednie, méghozzá olyan magasságban, amelyet az az egyenes vonal határoz meg, amely a kerék középpontjától indul, és a vízszintes síkkal legalább 30°-os szöget zár be (3. ábra).
7.1.3. Ha a felszerelt sárvédők több alkatrészből állnak, akkor azokon nem lehet semmilyen olyan nyílás, amelyen a jármű mozgása közben vízpermet hatolhat át.
7.2. Külső sárfogó lapok
7.2.1. Egyes tengelyek vagy olyan többes tengelyek esetében, ahol a szomszédos tengelyeken lévő abroncsok közötti "d" távolság nagyobb, mint 300 mm, a külső sárfogó lap alsó szélének az alábbi - a kerék középpontjától mért - távolságokon, illetve sugarakon - belül kell elhelyezkednie (2. ábra).
SZÖVEG HIÁNYZIK |

Kép #1

Kép #2
ahol R a járműre szerelt abroncs sugara, a Rv pedig az a sugárként kifejezett távolság, amelynél a külső sárfogó lap alsó széle elhelyezkedik.
7.2.2. Olyan többes tengelyek esetében, ahol a szomszédos tengelyeken lévő abroncsok közötti "d" távolság 300 mm-nél nem nagyobb, a tengelyek közötti résben található külső sárfogó lapokat a 7.2.1. pontban meghatározott távolságokra kell elhelyezni, és azok alsó irányban legfeljebb 150 mm-rel lehetnek a kerekek középpontján keresztülhaladó vízszintes vonal fölött, vagy oly módon kell elhelyezkedniük, hogy az alsó végeik közötti vízszintes távolság a 60 mm-t ne haladja meg (4a. ábra).
7.2.3. A külső sárfogó lap mélységi mérete a kerék középpontján keresztülhaladó függőleges vonal mögötti egyik pontnál sem lehet 45 mm-nél kevesebb. A sárfogó lapok mélysége e vonal előtt fokozatosan csökkenthető.
7.2.4. A külső sárfogó lapokon, illetve a külső sárfogó lapok és a sárvédők egyéb részei között nem lehetnek olyan nyílások, amelyek a jármű mozgása közben lehetővé teszik a vízpermet kiszivárgását.
7.3. Vízterelő
7.3.1. A vízterelő szélességének a 7.1.1. c) pontban megadott "q"-ra vonatkozó követelménynek kell megfelelnie, kivéve azt az esetet, amikor a vízterelő a sárvédőkön belül van, amely esetben a vízterelő szélességének legalább az abroncs futófelületének szélességével kell megegyeznie.
7.3.2. A vízterelőnek alapvetően függőleges irányban kell elhelyezkednie.
7.3.3. Az alsó szél útfelülettől mért legnagyobb magassága nem haladhatja meg a 200 mm-t (3. ábra).
Ez a távolság 300 mm-re emelkedik annak az utolsó tengelynek az esetében, amelynél a külső sárfogó lap alsó szélének Rv radiális távolsága nem nagyobb, mint az ugyanarra a tengelyre felszerelt abroncsok sugárméretei.
7.3.4. A vízterelő 300 mm-nél nem lehet távolabb - vízszintesen mérve - az abroncs leghátsó szélétől.
7.3.5. Az olyan többes tengelyek esetében, ahol a szomszédos tengelyeken lévő abroncsok közötti "d" távolság 250 mm-nél kisebb, csak a hátsó kerekekhez kell vízterelőket felszerelni. Abban az esetben kell valamennyi kerék mögé vízterelőt felszerelni, ha a szomszédos tengelyeken lévő abroncsok közötti "d" távolság legalább 250 mm (4b. ábra).
7.3.6. A vízterelő 100 mm-nél nem hajolhatnak el jobban a jármű hátsó része felé a vízterelő alsó széle fölött 50 mm-rel lévő ponton fellépő 3 N/100 mm vízterelő szélesség értékű erő hatására.
7.3.7. A vízterelő előírt legkisebb méretekkel rendelkező első oldali részének egészére olyan felcsapódó víz elleni védőberendezést kell felszerelni, amely megfelel a II. melléklet 1. függeléke előírásainak.
7.3.8. A sárvédő alsó, hátsó széle és a vízterelő között nem lehet semmilyen olyan nyílás, amely lehetővé teszi a vízpermet kiáramlását.
7.3.9. Amennyiben a felcsapódó víz elleni védőberendezés megfelel a vízterelőre vonatkozó előírásoknak (7.3. pont), úgy további vízterelőre nincs szükség.
8. Az energiaelnyelő típusú, felcsapódó víz elleni védőberendezésekkel felszerelt felcsapódó víz elleni védőrendszerekkel kapcsolatos követelmények nem kormányzott és saját kormányzású kerekekkel ellátott bizonyos tengelyek esetén (lásd a 6.2. pontot)
8.1. Sárvédők
8.1.1. A sárvédőknek közvetlenül az abroncs vagy abroncsok fölötti zónát el kell takarniuk. A sárvédők elülső és hátulsó végének legalább az abroncs vagy abroncsok felső szélét érintő vízszintes síkig kell kinyúlnia (5. ábra). A sárvédők hátsó vége azonban vízterelővel is helyettesítő, amely esetben ennek a sárvédő (vagy azzal egyenértékű alkatrész) felső részéig kell kinyúlnia.
8.1.2. A sárvédő belső oldalának teljes hátsó részét olyan felcsapódó víz elleni védőberendezéssel kell ellátni, amely megfelel a II. melléklet 1. függelékében szereplő követelményeknek.
8.2. Külső sárfogó lapok
8.2.1. Egyes tengelyek vagy olyan többes tengelyek esetében, ahol a szomszédos abroncsok közötti távolság legalább 250 mm, a külső sárfogó lapnak a sárvédő alsó részétől a felső részéig terjedő felületet kell eltakarnia egészen addig az egyenes vonalig, amelyet az abroncs, vagy abroncsok felső szélének érintője képez, és amely az abroncs elejének érintője által képzett függőleges sík és a kerék, vagy kerekek mögött található sárvédő, vagy vízterelő között húzódik (5b. ábra).
Többes tengelyek esetén minden egyes kerékhez sárfogó lapot kell elhelyezni.
8.2.2. A külső sárfogó lap, valamint a sárvédő belseje között nem lehet semmilyen olyan nyílás, amely vízpermet kiáramlását teszi lehetővé.
8.2.3. Amennyiben nincs minden egyes kerék mögött vízterelő (lásd a 7.3.5. pontot), úgy a külső sárfogó lapnak folyamatosnak kell lennie a vízterelő külső széle és az első tengelyen levő abroncs (5a. ábra) elejének legtávolabbi pontján érintő függőleges sík között.
8.2.4. A legalább 100 mm kötelező magasságú külső sárfogó lap teljes belső felületét olyan energiaelnyelő típusú, felcsapódó víz elleni védőberendezéssel kell ellátni, amely megfelel a II. mellékletben foglalt követelményeknek.
8.3. Vízterelő
A vízterelőnek a sárvédő alsó részéig kell kinyúlniuk, és a 7.3.1.-7.3.9. pontban foglaltaknak kell megfelelniük.
9. A levegő/víz szétválasztó típusú, felcsapódó víz elleni védőberendezésekkel felszerelt felcsapódó víz elleni védőrendszerekkel kapcsolatos követelmények kormányzott és nem kormányzott kerekkel ellátott tengelyekre vonatkozóan
9.1. Sárvédők
9.1.1. A sárvédőknek meg kell felelniük a 7.1.1. c) pontban foglalt követelményeknek.
9.1.2. Egyes tengelyek, illetve az olyan többes tengelyek esetében, ahol a szomszédos tengelyeken lévő abroncsok közötti távolság 300 mm-nél nagyobb, a sárvédőknek a 7.1.1. a) pontban foglalt követelményeknek is meg kell felelniük.
9.1.3. Az olyan többes tengelyek esetében, ahol a szomszédos tengelyeken lévő abroncsok közötti távolság nem haladja meg a 300 mm-t, a sárvédőknek a 7. ábrán látható mintával is meg kell egyezniük.
9.2. Külső sárfogó lapok
9.2.1. A külső sárfogó lapok alsó széleit a II. mellékletben foglalt követelményeknek megfelelő levegő/víz szétválasztó típusú, felcsapódó víz elleni védőberendezéssel kell felszerelni.
9.2.2. Egyes tengelyek vagy olyan többes tengelyek esetében, ahol a szomszédos tengelyeken levő abroncsok közötti "d" távolság nagyobb, mint 300 mm, a külső sárfogó lap alsó széle az alábbi - a kerék középpontjából mért - távolságokon, illetve sugarakon belül kell elhelyezkednie (6. és 7. ábra):
SZÖVEG HIÁNYZIK |

Kép #3

Kép #4
ahol | R = a járműre szerelt abroncs sugara, Rv = pedig az a sugárként kifejezett távolság, amelynél a külső sárfogó lap alsó széle elhelyezkedik. |
9.2.3. Olyan többes tengelyek esetében, ahol a szomszédos tengelyeken levő abroncsok közötti "d" távolság 100 mm-nél nem nagyobb, a tengelyek közötti résben található külső sárfogó lapokat a 9.1.3. pontban meghatározott távolságokra kell elhelyezni, és azok alsó irányban legfeljebb 100 mm-rel lehetnek a kerekek középpontján keresztülhaladó vízszintes vonal fölött (7. ábra).
9.2.4. A külső sárfogó lap mélységi mérete a kerék középpontján keresztülhaladó függőleges vonal mögötti egyik pontnál sem lehet 45 mm-nél kevesebb. A sárfogó lapok mélysége e vonal előtt fokozatosan csökkenthető.
9.2.5. A külső sárfogó lapokon, illetve a külső sárfogó lapok és a sárvédők egyéb részei között nem lehetnek olyan nyílások, amelyek a jármű mozgása közben lehetővé teszik a vízpermet kiszivárgását.
9.3. Vízterelő
9.3.1. A vízterelőnek az alábbi követelményeknek kell megfelelniük:
a) 7.3. pont (3. ábra); vagy
b)
7.3.1. , 7.3.2., 7.3.5., 7.3.8. és 9.3.2.pont (6. ábra).
9.3.2. A II. melléklet 2. függelékében szereplő előírásoknak megfelelő, felcsapódó víz elleni védőberendezést kell felszerelni - legalább a teljes szél mentén - a 9.3.1. b) pontban említett vízterelőre.
9.3.2.1. A felcsapódó víz elleni védőberendezés alsó széle legfeljebb 200 mm-rel lehet a talaj fölött.
9.3.2.2. A felcsapódó víz elleni védőberendezésnek legalább 100 mm mélységi kiterjedésűnek kell lennie.
9.3.2.3. Az alsó résztől eltekintve - amely a felcsapódó víz elleni védőberendezést foglalja magában - a 9.3.1. b) pontban említett vízterelő 100 mm-nél nem hajolhat jobban hátra 3 N/100 mm vízterelő szélesség értékű, az üzemi helyzetben levő felcsapódó víz elleni védőberendezés és a vízterelő találkozási pontjánál mért és a vízterelő alsó széle fölött 50 mm távolságban ható erő hatására.
9.3.3. A vízterelő 200 mm-nél nem lehet távolabb - vízszintesen mérve - az abroncs leghátsó szélétől.
Függelék
MINTA
(legnagyobb méret: A/4 (210 mm × 297 mm))
MELLÉKLET A JÁRMŰTÍPUSOKKAL KAPCSOLATOS EGK-TÍPUSBIZONYÍTVÁNYHOZ A FELCSAPÓDÓ VÍZ ELLENI VÉDŐRENDSZEREK RÖGZÍTÉSÉRE VONATKOZÓAN
(a gépjárművek és pótkocsijaik típusjóváhagyására vonatkozó tagállami jogszabályok közelítéséről szóló, 1970. február 6-i 70/156/EGK tanácsi irányelv 4. cikkének (2) bekezdése és 10. cikke)

IV. MELLÉKLET
A GYÁRTÁS MEGFELELŐSÉGE
A GYÁRTÁS MEGSZÜNTETÉSE
1. A gyártás megfelelősége
1.1. Az EGK-alkatrész-típusjóváhagyási jelet viselő valamennyi, felcsapódó víz elleni védőberendezésnek meg kell felelnie a jóváhagyott típusnak. Az EGK típus-jóváhagyási jelet kibocsátó hatóság egy mintát magánál tart arra a célra, hogy - az EGK-alkatrész-típusbizonyítvánnyal együtt - megállapítható legyen, hogy az EGK-alkatrész-típusjóváhagyási jellel forgalmazott berendezések teljesítik-e a jelzett követelményeket.
1.2. A berendezés típusát a minta, valamint az EGK-alkatrész-típusjóváhagyásának kérelmezésekor benyújtott leíró dokumentumok határozzák meg. Ugyanahhoz a típushoz tartozónak olyan berendezéseket lehet tekinteni, amelyek jellemzői egyformák a mintául szolgáló berendezés jellemzőivel, és amelyek egyéb alkatrészei sem térnek el a mintául szolgáló berendezés alkatrészeitől, nem számítva az ebben a mellékletben említett jellemzőket nem érintő eltéréseket.
1.3. A jóváhagyott típus gyártási megfelelőségének biztosítása érdekében a gyártó rutinvizsgálatokat végez.
Ebből a célból a gyártó köteles:
- vagy olyan laboratóriummal rendelkezni, amely az elsőrendű fontosságú vizsgálatok elvégzéséhez megfelelő felszereltségű, vagy
- valamely jóváhagyott laboratórium által elvégeztetni a gyártásmegfelelőségi vizsgálatokat.
A gyártásmegfelelőségi vizsgálatok eredményei legalább évente egyszer, betekintés céljából a hatáskörrel rendelkező hatóság rendelkezésére állnak.
1.4. A hatáskörrel rendelkező hatóság szúrópróbaszerű ellenőrzéseket is végezhet.
1.5. A gyártásnak a jóváhagyott berendezéstípussal való azonosságát a II. mellékletben rögzített körülmények között, illetve módszerekkel összhangban kell ellenőrizni.
Az alkatrész-típusjóváhagyást megadó hatóság kérésére a gyártó a hatóság rendelkezésére bocsátja vizsgálatok, vagy megfelelőségi ellenőrzések céljából a típusjóváhagyást korábban elnyert típusú berendezéseket.
1.6. A berendezések megfelelősége akkor áll fenn, ha 10, véletlenszerűen választott mintából 9 megfelel a II. melléklet 1. és 2. függelékének 4. pontjában foglalt követelményeknek.
1.7. Amennyiben nem teljesül az 1.6. pontban meghatározott feltétel, úgy további 10, véletlenszerűen választott mintát kell megvizsgálni.
Az összes elvégzett mérés átlagának meg kell felelnie a II. melléklet 1. és 2. függelékének 4. pontjában foglalt előírásoknak, és egyik egyedi mérés értéke sem lehet kisebb, mint a meghatározott érték 95 %-a.
2. A gyártás megszüntetése
A gyártást megszüntető EGK-alkatrész-típusjóváhagyás birtokosa köteles erről a tényről azonnal értesíteni a hatáskörrel rendelkező hatóságot.
ÁBRÁK
1. ábra
A sárvédő (a) szélessége (q), valamint a sárhányóköpeny (j) helyzete

Megjegyzés:
a számok a III. melléklet vonatkozó pontjaira utalnak
2. ábra
A sárvédő és a külső sárhányóköpeny méretei

Megjegyzés:
1. A számok a 3. függelék vonatkozó pontjaira utalnak
2. T: a sárvédő kiterjedése
3. ábra
A sárvédő és a vízterelő helyzete

Megjegyzés:
A számok III. melléklet vonatkozó pontjaira utalnak
4. ábra
Sárvédők és külső sárhányóköpeny kormányzott, saját kormányzású, illetve nem kormányzott kerekek esetén

a) A sárvédők és a külső sárfogó lapok méretei többes tengelyek esetén
Megjegyzés:
1. A számok a III. melléklet vonatkozó pontjaira utalnak
2. T: a sárvédő kiterjedése

b) A felcsapódó víz elleni védőberendezések helyzete többes tengelyek esetén
Megjegyzés:
A számok a III. melléklet vonatkozó pontjaira utalnak
5. ábra
Energiaelnyelő típusú felcsapódó víz elleni védőberendezésekkel felszerelt felcsapódó víz elleni védőrendszer ábrája nem kormányzott, illetve saját kormányzású kerekekkel felszerelt tengelyek esetén
(III. melléklet, 6.2. és 8. pont)

a) Többes tengelyek, ahol az abroncsok közötti távolság 250 mm-nél kisebb

b) Egyes tengelyek vagy olyan többes tengelyek, ahol az abroncsok közötti távolság 250 mm-nél nem kisebb
6. ábra
Levegő/víz szétválasztó típusú felcsapódó víz elleni védőberendezésekkel felszerelt felcsapódó víz elleni védőrendszer ábrája kormányzott, saját kormányzású, illetve nem kormányzott kerekekkel ellátott tengelyek esetén

Megjegyzés:
1. A számok a III. melléklet vonatkozó pontjaira utalnak
2. T: A sárvédők kiterjedése
7. ábra
Felcsapódó víz elleni védőberendezéseket (sárvédő, vízterelő, külső sárfogó lap) magában foglaló felcsapódó víz elleni védőrendszer ábrája olyan többes tengelyek esetén, amelynél az abroncsok közötti távolság nem haladja meg a 300 mm-t

Megjegyzés:
1. A számok a III. melléklet vonatkozó pontjaira utalnak
2. T: a sárvédő kiterjedése
8. ábra
Vizsgálóegység energiaelnyelő típusú, felcsapódó víz elleni védőberendezésekhez
(II. melléklet, 1. függelék)

Megjegyzés
A = vízellátás szivattyúból
B = vízáramlás a gyűjtőtartály felé
C = az 500 (+5/-0) mm hosszú és 75 (+2/-0) mm széles belső méretű gyűjtő
D = vékony falú, 54 mm átmérőjű cső
E = 12 db, az ábrán látható módon sugárszerűen fúrt lyuk, 1,68 (+0,025/-0) mm-es átmérővel
F = 500 (+0/-5) mm széles vizsgálandó minta
Valamennyi lineáris méret mm-ben van feltüntetve
9. ábra
Vizsgálóegység levegő/víz szétválasztó típusú, felcsapódó víz elleni védőberendezésekhez
(II. melléklet, 2. függelék)


( 1 ) HL C 203., 1990.8.14., 16. o.
( 2 ) HL C 96., 1990.4.17., 92. o., valamint az 1991. március 13-i határozat (még nem jelent meg a Hivatalos Lapban).
( 3 ) HL C 62., 1990.3.12., 2. o.
( 4 ) HL L 220., 1987.8.8., 44. o.
( 5 ) HL L 42., 1970.2.23., 1. o.
Lábjegyzetek:
[1] A dokumentum eredetije megtekinthető CELEX: 31991L0226 - https://eur-lex.europa.eu/legal-content/HU/ALL/?uri=CELEX:31991L0226&locale=hu Utolsó elérhető, magyar nyelvű konszolidált változat CELEX: 01991L0226-20070101 - https://eur-lex.europa.eu/legal-content/HU/ALL/?uri=CELEX:01991L0226-20070101&locale=hu